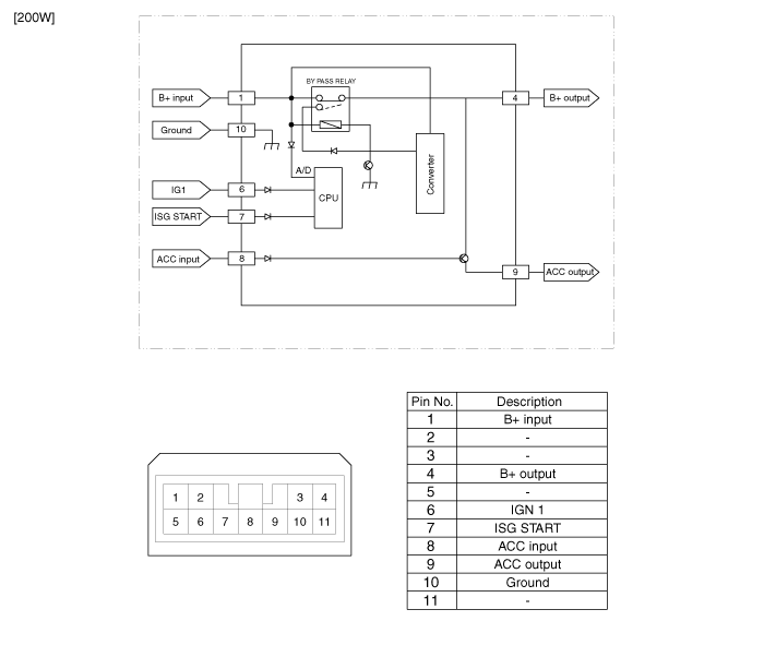
Hyundai Elantra: DC DC Converter. Schematic Diagrams
Circuit Diagram


In the ISG mode, if the power of an audio system turnsOFF by drawdown
while “Auto Starting” or “Idle Starting”function operates, replace the
DC/DC converter.
|


